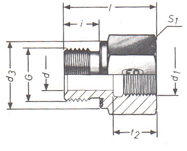
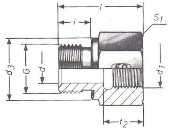
Reduzierstutzen mit Innengewinde RI1-EDx3/4
NEU